INA滑塊KWVE25-B-E-HS德國依納進口滑塊
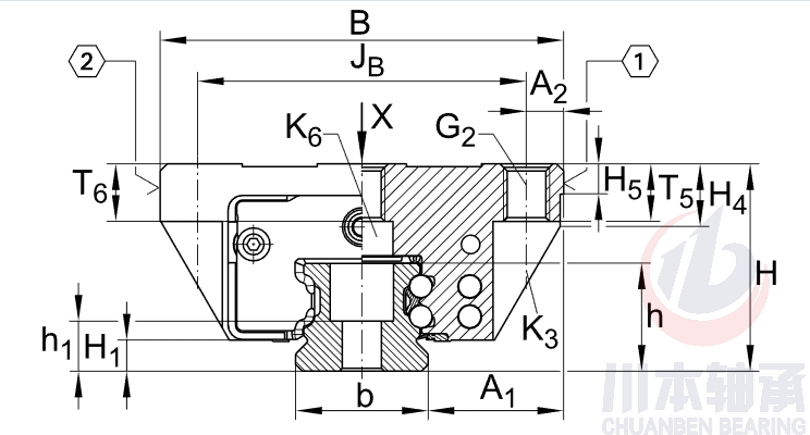
| H | 33 mm | |
| B | 73 mm | |
| L | 92 mm | |
| 1) | 定位面 | |
| 2) | 标記 | |
| A1 | 25 mm | |
| A2 | 6,5 mm | |
| A3 | 8 mm | |
| aL max | 53 mm | aL 和 aR 取決于導軌長度 |
| aL min | 20 mm | aL 和 aR 取決于導軌長度 |
| aR max | 53 mm | aL 和 aR 取決于導軌長度 |
| aR min | 20 mm | aL 和 aR 取決于導軌長度 |
| d1 | 6,8 mm | |
| G2 | KUVE25-B-E-HS 沒有中心孔。 | |
| 外孔沒有螺紋 G2。 | ||
| G3 | M6 | 潤滑接頭的最大允許螺紋深度:7 mm |
| H1 | 5,1 mm | |
| H4 | 7,85 mm | |
| H5 | 5,25 mm | |
| h | 18,7 mm | |
| h1 | 8,7 mm | |
| JB | 60 mm | |
| JL | 35 mm | |
| JLZ | KUVE25-B-E-HS 沒有中心孔。 | |
| 外孔沒有螺紋 G2。 | ||
| jL | 60 mm | |
| K1 | M6 | 對于符合 DIN ISO 4762-12.9 标準的螺釘 |
| 最大擰緊力矩 [MA]: | ||
| M4 = 5 Nm | ||
| M5 = 10 Nm | ||
| M6 = 17 Nm | ||
| M8 = 41 Nm | ||
| M10 = 83 Nm | ||
| M12 = 140 Nm | ||
| M14 = 220 Nm | ||
| 規定的力矩表示在無振動的準靜态應用中可靠地傳遞力對應的最大值 (S0=1)。我們建議,應根據客戶的特定應用條件和運行工況,按照 VDI 指導準則 2230 第 1 部分(2015 年)中的數據以及該說明中的數據來确定将螺釘擰緊到相鄰結構上時的擰緊力矩。 | ||
| K3 | M6 | 對于符合 DIN ISO 4762-12.9 标準的螺釘 |
| 最大擰緊力矩 [MA]: | ||
| M4 = 5 Nm | ||
| M5 = 10 Nm | ||
| M6 = 17 Nm | ||
| M8 = 41 Nm | ||
| M10 = 83 Nm | ||
| M12 = 140 Nm | ||
| M14 = 220 Nm | ||
| 規定的力矩表示在無振動的準靜态應用中可靠地傳遞力對應的最大值 (S0=1)。我們建議,應根據客戶的特定應用條件和運行工況,按照 VDI 指導準則 2230 第 1 部分(2015 年)中的數據以及該說明中的數據來确定将螺釘擰緊到相鄰結構上時的擰緊力矩。 | ||
| K6 | KUVE25-B-E-HS 沒有中心孔。 | |
| 外孔沒有螺紋 G2。 | ||
| L1 | 60,7 mm | |
| LS | 1,65 mm | |
| lmax | 5880 mm | 單根導軌的最大長度。有關允許的導軌段,請參見技術原理 |
| T5 | 10 mm | |
| T6 | KUVE25-B-E-HS 沒有中心孔。 | |
| 外孔沒有螺紋 G2。 | ||
| mW | 0,68 kg | 滑塊的質量 |
| mS | 2,7 kg/m | 導軌的質量 |
| 根據 ISO 14728-1 标準的基本額定載荷的計算。 | ||
| 根據實踐經驗,可以增加基本額定動載荷。 | ||
| 隻有在使用全螺紋長度并且相鄰結構具有相應的尺寸時才支持額定滿載荷。 | ||
| C | 15000 N | 基本額定動載荷 |
| C0 | 37000 N | 基本額定靜載荷 |
| M0x | 510 Nm | 繞 X 軸的額定靜扭矩 |
| M0y | 395 Nm | 繞 Y 軸的額定靜扭矩 |
| M0z | 395 Nm | 繞 Z 軸的額定靜扭矩 |





TAG:list
上一篇: 特價供應軸承22332CCK/W33



